トップページ >> 2×4枠組壁工法金物 >> 梁受け金物 >> BHS2-210R
2×4枠組壁工法金物
梁受け金物
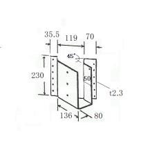
梁受け金物 BHS2-210R
- 材質:鋼板製
- 溶融亜鉛メッキ仕上
- ■用途
梁の接合部支持点がない場合の緊結
<BHS2-210R,L>
45°に梁を接合で接合部に支持点がない場合の緊結
Cマーク表示金物
- [山菱工業] 梁受け金物
- ・釘付
- ZN-65(太め釘):16本(端根太12、根太4)
■用途
45°に梁を接合する場合の接合部に支持点がない場合の緊結
| 製品番号 | 26-67-90 |
|---|---|
| 単価 (税別) | 1ヶ 1,050円 |
| 単価 (税込) | 1ヶ 1,155円 |



