トップページ >> 2×4枠組壁工法金物 >> 梁受け金物 >> BH2-210
2×4枠組壁工法金物
梁受け金物
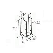
梁受け金物 BH2-210
- 材質:鋼板製
- 溶融亜鉛メッキ仕上
- ■用途
梁の接合部支持点がない場合の緊結
<BHS2-210R,L>
45°に梁を接合で接合部に支持点がない場合の緊結
Cマーク表示金物
- [山菱工業] 梁受け金物
- ・釘付
- 付属品
太め釘:ZN-65x16本(受け材x10、梁x6)
■用途
梁の結合部支持点がない場合の緊結
| 製品番号 | 26-67-82 |
|---|---|
| 単価 (税別) | 1ヶ 399円 |
| 単価 (税込) | 1ヶ 439円 |



