トップページ >> 2×4枠組壁工法金物 >> 根太受金具 >> JHS208・210R
2×4枠組壁工法金物
根太受金具
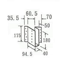
根太受金具 JHS208・210R
- 枠組壁工法金物
- 2x4
- ■用途
天井根太と端根太や床梁と根太の仕口部分、
ささら桁と床開口部の合わせ根太との緊結など
- 根太受金具
- ・釘付
- ZN-65:10本(端根太用)/ZN-40:6本(根太)
■用途
45°に根太を接合する場合の接合部に支持点がない場合の緊結
| 製品番号 | 26-66-77 |
|---|---|
| 単価 (税別) | 1ヶ 666円 |
| 単価 (税込) | 1ヶ 733円 |



