>>トップページ >>硝子引戸用レール/耐震補強金具・Lアングル >>家具堀込レール(アルミ)

硝子引戸用レール
  • 家具堀込レール(アルミ)
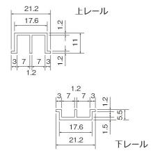
材質:アルミ製
5mm硝子用
色調:シルバー(ツヤあり)

■上下レールセット

LINE

26-345-251
硝子引戸用 堀込レール(アルミ磨仕上)
・5mmガラス用
上下セット(レール各1本)

1セット
3,580円(税別)
(税込 3,938円)
消費税について

購入数: