>>トップページ >>カウンター用部材/天板取付ポール・折畳み脚 >>単板集成材

カウンター用部材
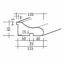
  • 単板集成材
材質:イエローパイン集成材
・生地
※配達区域により最寄りの配送会社営業店での荷渡しになる場合があります

LINE

26-338-50
在庫限り

1本
59,800円(税別)
(税込 65,780円)
消費税について

購入数: